止回閥

日標止回閥
產品簡介
News Center
新聞中心產品型號:H41W/H、H44W/H
公稱通徑:DN50-DN600
公稱壓力:10K-20K
適用介質:水、蒸汽
適用溫度:-20℃-425℃
連接方式:法蘭連接
閥體材質:不銹鋼
| 設計標準 | JIS B2071 |
| 法蘭標準 | JIS B2220 |
| 檢查和試驗 | JIS B2003 |
| 結構長度 | JIS B2002 |
| 零件名稱 | 材質 | |
| 吊環(huán)螺釘 | SM25C | |
| 螺栓 | SM45C | 304 |
| 密封墊 | 304+Graphite | SCS13/SCS14 |
| 螺釘 | SM35C | 304 |
| 閥體 | SCPH2 | SCS13/SCS14 |
| 搖臂 | SCPH2 | SCS13/SCS14 |
| 螺母 | SC35C | 304 |
| 螺母 | SM35C | 304 |
| 閥蓋 | SCPH2 | SCS13/SCS14 |
| 支架 | SCPH2 | SCS13/SCS14 |
| 圓柱銷 | 304 | 304 |
| 閥瓣 | SCPH2 | SCS13/SCS14 |
| 墊片 | SS400 | 304 |
| 螺釘 | SM25C | 304 |

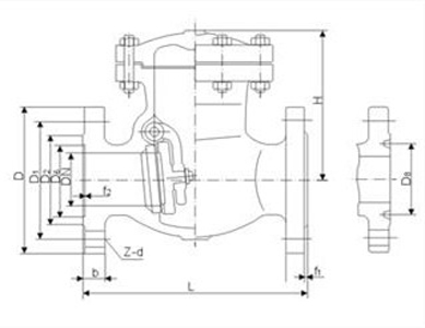
| NPS | D1 | d | K | D | f | C | N-Z | L | H |
| 50A | 50 | 96 | 120 | 155 | 2 | 16 | 4-19 | 203 | 158 |
| 65A | 65 | 116 | 140 | 175 | 2 | 18 | 4-19 | 216 | 186 |
| 80A | 80 | 126 | 150 | 185 | 2 | 18 | 8-19 | 241 | 205 |
| 100A | 100 | 151 | 175 | 210 | 2 | 18 | 8-19 | 292 | 235 |
| 125A | 125 | 182 | 210 | 250 | 2 | 20 | 8-23 | 330 | 268 |
| 150A | 150 | 212 | 240 | 280 | 2 | 22 | 8-23 | 356 | 293 |
| 200A | 200 | 262 | 290 | 330 | 2 | 22 | 12-23 | 495 | 359 |
| 250A | 250 | 324 | 355 | 400 | 2 | 24 | 12-25 | 622 | 425 |
| 300A | 300 | 368 | 400 | 445 | 3 | 24 | 16-25 | 698 | 473 |
| 350A | 350 | 413 | 445 | 490 | 3 | 26 | 16-25 | 787 | 499 |
| 400A | 400 | 475 | 510 | 560 | 3 | 28 | 16-27 | 864 | 555 |
| 450A | 450 | 530 | 565 | 620 | 3 | 30 | 20-27 | 978 | 720 |
| 500A | 500 | 585 | 620 | 675 | 3 | 30 | 20-27 | 978 | 810 |
| NPS | D1 | d | K | D | f | C | N-Z | L | H |
| 50A | 50 | 96 | 120 | 155 | 2 | 22 | 8-19 | 267 | 183 |
| 65A | 65 | 116 | 140 | 175 | 2 | 24 | 8-19 | 292 | 212 |
| 80A | 80 | 132 | 160 | 200 | 2 | 26 | 8-23 | 318 | 224 |
| 100A | 100 | 160 | 185 | 225 | 2 | 28 | 8-23 | 356 | 244 |
| 125A | 125 | 195 | 225 | 270 | 2 | 30 | 8-25 | 400 | 275 |
| 150A | 150 | 230 | 260 | 305 | 2 | 32 | 12-25 | 444 | 310 |
| 200A | 200 | 275 | 305 | 350 | 2 | 34 | 12-25 | 533 | 365 |
| 250A | 250 | 345 | 380 | 430 | 2 | 38 | 12-27 | 622 | 425 |
| 300A | 300 | 395 | 430 | 480 | 3 | 40 | 16-27 | 711 | 545 |
| 350A | 350 | 440 | 480 | 540 | 3 | 40 | 16-33 | 838 | 580 |
| 400A | 400 | 495 | 540 | 605 | 3 | 46 | 16-33 | 864 | 595 |
| 450A | 450 | 560 | 605 | 675 | 3 | 48 | 20-33 | 978 | 740 |
| 500A | 500 | 615 | 660 | 730 | 3 | 50 | 20-33 | 1016 | 870 |
在線留言