氣動球閥

Q641F氣動三片式法蘭球閥
產品簡介
News Center
新聞中心產品型號:Q641F
產品口徑:DN15-100mm
產品壓力:1.6-6.4MPa
產品材質:鑄鋼、不銹鋼
公稱壓力 | 2.5mpa | 4.0mpa | 6.4mpa |
殼體試驗壓力 | 3.75 | 6.0 | 9.6 |
密封試驗壓力 | 2.75 | 4.4 | 7.04 |
氣密性試驗壓力 | 0.6 | 0.6 | 0.6 |
適用介質 | SS201 | SS304 | SS316 |
水、油品、氣等介質 | 硝酸類腐蝕性介質 | 醋酸類腐蝕性介質 | |
適用溫度 | -40℃——+150℃ | ||
產品標準 | GB/T12237-2007 | ||
檢驗標準 | GB/T13927-1992 JB/T9092-1999 | ||
零件名稱 | 材質 | |
不銹鋼 | 碳鋼 | |
螺栓 | 不銹鋼304 | 碳鋼 |
彈簧墊圈 | 不銹鋼304 | 不銹鋼304 |
螺母 | 不銹鋼304 | 碳鋼 |
閥蓋 | 不銹鋼SS316 | 碳鋼WCB |
閥體 | 不銹鋼SS316 | 碳鋼WCB |
球 | 不銹鋼SS304 | 不銹鋼CF8 |
密封圈 | 聚四氟乙烯PTFE | 聚四氟乙烯PTFE |
閥桿 | 不銹鋼SS316 | 不銹鋼SS304 |
填料 | 聚四氟乙烯PTFE | 聚四氟乙烯PTFE |
閥桿螺母 | 不銹鋼SS316 | 不銹鋼SS304 |
彈簧墊圈 | 不銹鋼SS304 | 不銹鋼SS304 |
螺母 | 不銹鋼SS304 | 不銹鋼SS304 |
手柄 | 不銹鋼SS304 | 不銹鋼SS304 |

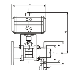
通徑DN | L | A | H | K | N-Φd |
15 | 130 | 160 | 290 | 65 | 4-12 |
20 | 150 | 160 | 310 | 75 | 4-12 |
25 | 160 | 190 | 350 | 85 | 4-12 |
32 | 180 | 190 | 370 | 100 | 4-16 |
40 | 200 | 206 | 406 | 110 | 4-16 |
50 | 230 | 216 | 446 | 125 | 4-16 |
65 | 290 | 260 | 550 | 145 | 4-16 |
80 | 310 | 286 | 596 | 160 | 8-16 |
100 | 350 | 340 | 690 | 180 | 8-16 |
在線留言